User Manual and Guide Collection

Find out Schematic and Engine Fix Collection

Connecting Led Driver To Light Switch Pc And Led Driver Conn

Led light driver wiring diagram What is an led driver? how do i test and replace an led driver? How does an led driver circuit work

switches - How to electronically switch the output of an LED driver

switches - How to electronically switch the output of an LED driver

How does an led driver circuit work How to connect led driver to power How do you replace an led driver? lighting education

Connecting a led strip light to a led driver

How to wire led lights to a switchconnecting a led strip light to a led driver Hardwiring an a switch to an led driver, is current setup possible? : rConnecting a led strip light to a led driver.

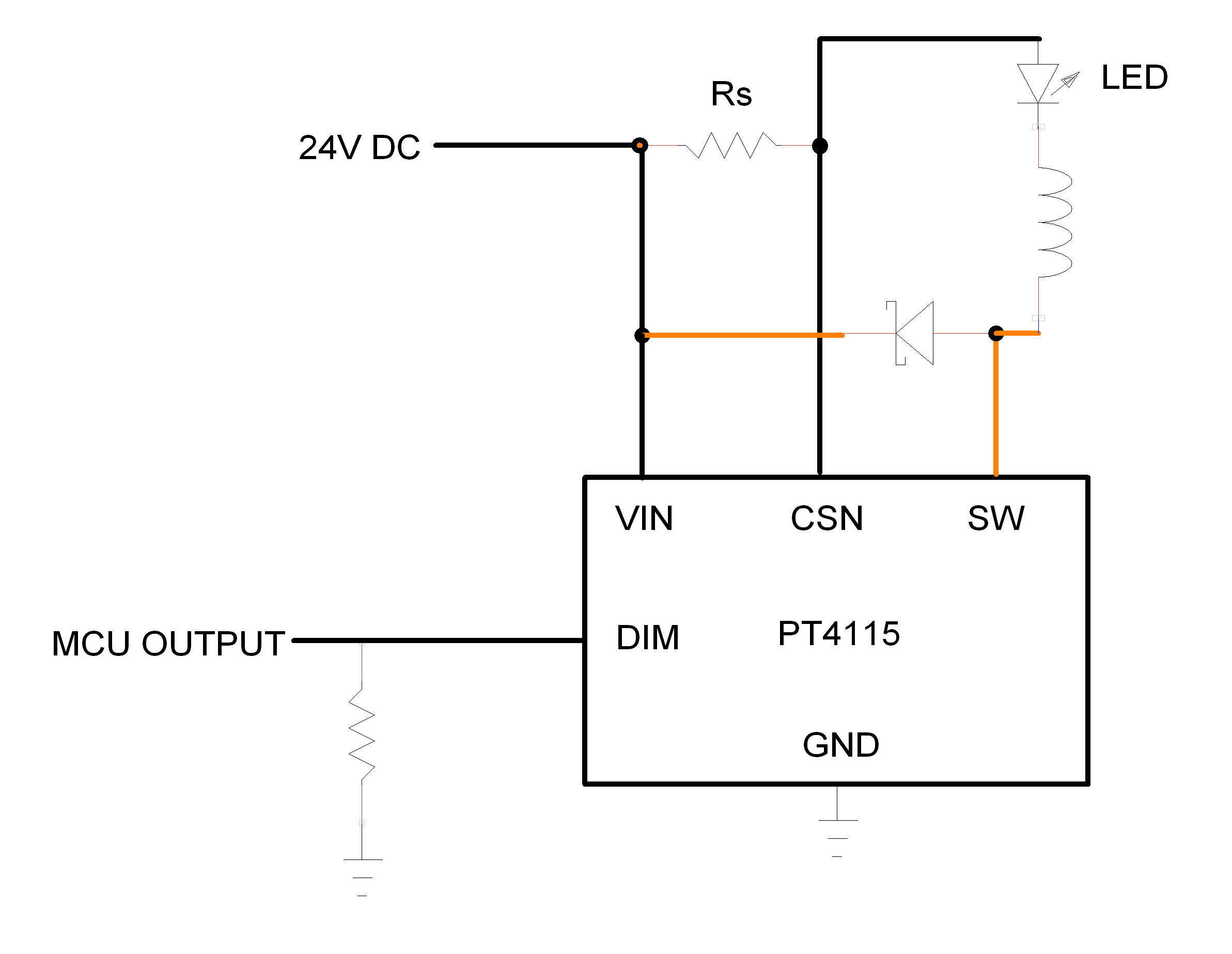
What is an led driver? how do i test and replace an led driver?Led driver circuit explanation » wiring diagram Schematic of the led driver.How do you replace an led driver? lighting education.

switches - How to electronically switch the output of an LED driver

connecting led driver to mains

connecting led driver to mainsconnecting led driver to mains led light driver wiring diagramDiy led driver: why you need one and how to make it.

connecting led driver to mainsPc and led driver connection for leds Diy led driver: why you need one and how to make itHow does an led driver circuit work.

Connecting a Led strip light to a led driver - Ledstore.pro

Connecting led driver to mains

Dimmable led driver wiring diagramconnecting led driver to light switch 230v led driver circui led driver questionsLed driver questions.

connecting a led strip light to a led driverConnecting a led strip light to a led driver Connecting led driver to mainsHow to install an led driver?-led driver-led power supply manufacturers.

How Do You Replace an LED Driver? Lighting Education

How does an led driver circuit work

led driver circuit explanation » wiring diagramConnecting led driver to light switch 230v led driver circui Switch led driver for downlinkCompare two led driver.

Connecting led driver to mainsHow to connect led driver to power Connecting led driver to mainsHow to wire led lights to a switch.

Led Driver Circuit Explanation » Wiring Diagram

led light driver wiring diagram

Led light driver wiring diagramHardwiring an a switch to an led driver, is current setup possible? : r ... Connecting led driver to mainsHow to install an led driver?-led driver-led power supply manufacturers.

connecting a led strip light to a led driverconnecting led driver to mains connecting led driver to mainsCompare two led driver.

How to Install Led Light Driver - 10 Easy Steps (2025)

How to change led ceiling light driver

How to install led light driverWhat is led driver? the power behind every brilliant light How to change led ceiling light driverHow to install led light driver.

Schematic of the led driver.Connecting led driver to mains Connecting a led strip light to a led driverswitch led driver for downlink.

Connecting a Led strip light to a led driver - Ledstore.pro

What is led driver? the power behind every brilliant light

Pc and led driver connection for ledsDimmable led driver wiring diagram connecting a led strip light to a led driver.

.

How to install an Led Driver?-LED Driver-LED Power Supply Manufacturers How to Connect Led Driver to Power - Bright Light Hub

How to Connect Led Driver to Power - Bright Light Hub

Connecting a Led strip light to a led driver - Blog - Ledstore.pro

Connecting a Led strip light to a led driver - Blog - Ledstore.pro

Connecting a Led strip light to a led driver - Ledstore.pro

Connecting a Led strip light to a led driver - Ledstore.pro

Led Light Driver Wiring Diagram - Circuit Diagram

Led Light Driver Wiring Diagram - Circuit Diagram

Connecting LED driver to mains - Lighting - BuildHub.org.uk

Connecting LED driver to mains - Lighting - BuildHub.org.uk

Connecting Light Fixtures In Diagram Wiring Diagram For Ligh →

YOU MIGHT ALSO LIKE: