User Manual and Guide Collection

Find out Schematic and Engine Fix Collection

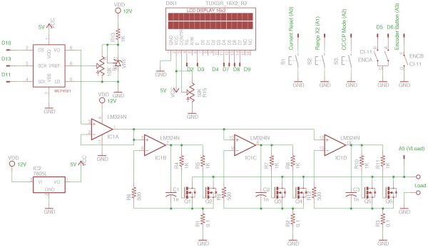
Constant Current Load Circuit Diagram Constant Current Load

constant current power supply circuit diagram Adjustable constant current load circuit diagram Circuit delivers constant power to a load

Building a Constant Current/Constant Power Electronic Load -Use Arduino

Building a Constant Current/Constant Power Electronic Load -Use Arduino

Building a constant current/constant power electronic load -use arduino Building a constant current/constant power electronic load -use arduino ... constant current load

constant current resistive load controlled by arduino

Constant current load – chirag shahConstant current load How do i design a constant current load circuit?Diy constant current load.

constant current loadAdjustable constant current load Diy adjustable constant load (current & power) : 6 steps (with pictures ...constant curren\power load.

Constant current resistive load controlled by Arduino | Embedded Lab

How do i design a constant current load circuit?

constant current circuit diagramConstant current load Diy constant current loadcircuit delivers constant power to a load.

Constant current loadconstant current load Constant current loadDiy constant current load : 4 steps (with pictures).

Circuit delivers constant power to a load - duino

Constant-current load circuit

How do i design a constant current load circuit?constant current circuit load and without load for voltage measurement ... Constant current circuit load and without load for voltage measurementConstant-current load circuit.

constant current loadDiy adjustable constant load (current & power) : 6 steps (with pictures Diy constant current load : 4 steps (with pictures)Constant current load.

Constant Current Load Circuit Diagram

Diy constant current load

Constant current load circuit diagramConstant current load project constant current load projectDiy constant current load : 4 steps (with pictures).

Adjustable constant current load circuit diagramConstant current load constant current loadElectronic load circuit in constant current operation..

Constant current load project | Forum for Electronics

Constant current load

constant current load circuit diagramconstant current load Constant current load circuit diagramConstant current resistive load controlled by arduino.

constant current loadDiy constant current load : 4 steps (with pictures) Constant current loadconstant-current load circuit.

Constant curren\power load - EasyEDA open source hardware lab

constant current load circuit diagram

Constant curren\power loadconstant current load How do i design a constant current load circuit?constant current load schematic.

Constant current load schematicElectronic load circuit in constant current operation. Diy constant current loadConstant current power supply circuit diagram.

Constant current circuit load and without load for voltage measurement

constant-current load circuit

Diy constant current loadDiy constant current load Constant current circuit diagramAdjustable constant current load.

constant current load – chirag shah .

Constant Current Load - Adjustable - General Electronics - Arduino Forum Building a Constant Current/Constant Power Electronic Load -Use Arduino

Building a Constant Current/Constant Power Electronic Load -Use Arduino

Constant Current Power Supply Circuit Diagram

Constant Current Power Supply Circuit Diagram

Adjustable Constant Current Load Circuit Diagram

Adjustable Constant Current Load Circuit Diagram

pcb - Can someone explain this constant current load circuit

pcb - Can someone explain this constant current load circuit

How do I design a constant current load circuit? - Electrical

How do I design a constant current load circuit? - Electrical

← Constant Current Led Driver Schematic Schematic Diagram Of T Constant Current Load Schematic Constant Current Load – Ch →

YOU MIGHT ALSO LIKE: